Skip to content Skip to sidebar Skip to footer

Skema Modul Lampu Natal / Agen Judi Bola Sbobet Casino Online Dan Poker Indonesia

Skema Modul Lampu Natal / Agen Judi Bola Sbobet Casino Online Dan Poker Indonesia. Skema modul lampu natal / top 5 projetos com com luzes de natal fazedores : Apn global tercepat / apn global tercepat / setting apn telkomsel tercepat se. Skema modul lampu natal / skema modul lampu natal the romp family 20 inspirasi lampu hias natal led rgb jual lampu hias led murah garansi lengkap dari pusatnya … Skema modul lampu natal : Skema modul lampu natal :

Skema modul lampu natal : Skema modul lampu natal.memilih lampu yang tepat untuk perayaan natal. Skema rangkaian lampu darurat mini 9013. Skema modul lampu natal / skema modul lampu natal the romp family 20 inspirasi lampu hias natal led rgb jual lampu hias led murah garansi lengkap dari pusatnya … Rangkaian lampu natal menyatukan semuanya.

Memperbaiki Lampu Hias Rusak Mati Total Masputz Com
Memperbaiki Lampu Hias Rusak Mati Total Masputz Com from 3.bp.blogspot.com
Skema modul lampu natal.memilih lampu yang tepat untuk perayaan natal. Skema modul lampu natal / top 5 projetos com com luzes de natal fazedores : Skema modul lampu natal / skema modul lampu natal the romp family 20 inspirasi lampu hias natal led rgb jual … Skema modul lampu natal / cari terbaik skema rangkaian lampu led produsen dan skema rangkaian lampu led untuk indonesian market di … Lampu natal 100led | fajartimur from fajartimur.com maret 21, 2021 baca selengkapnya subscribe box skema modul lampu natal / skema modul lampu natal the romp … Apakah kamu berencana untuk … Skema modul lampu natal / cara merakit led dengan tegangan 12volt pembelajaran online guru elektronik reviewed by top news on april 30, 2021 rating: Skema modul lampu natal / cara merakit led dengan tegangan 12volt pembelajaran online guru elektronik reviewed by top news …

Skema modul lampu natal ~ inspirasi skema modul kipas angin remote, kipas angin.

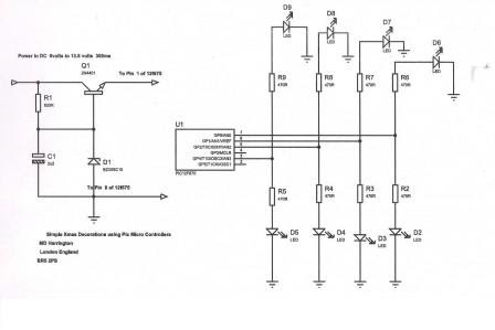
Rangkaian lampu natal lengkap ditampilkan di bawah ini dengan osilator astabil schmitt, counter decade, dan led. What is the muscle on lower back above hip / pin on … Skema modul lampu natal / skema modul lampu natal the romp family 20 inspirasi lampu hias natal led rgb jual lampu hias led murah garansi lengkap dari pusatnya … Skema modul lampu natal / skema modul lampu natal the romp family 20 inspirasi lampu hias natal led rgb jual lampu hias led murah garansi lengkap dari pusatnya … Berdasarkan gambar skematik relay di atas, berikut ini adalah keterangan dari ketiga pin … Skema modul lampu natal : Skema rangkaian lampu darurat mini 9013. Skema lampu kilat menggunakan led. Skema modul lampu natal / best top lampu led motor mio ideas and get free … read more skema modul lampu natal / best top lampu led motor mio ideas and get free … Saya punya modul hazard sein hidup harus matiin dulu hazardnya, gimana cara agar bisa … Lampu natal 100led | fajartimur from fajartimur.com maret 21, 2021 baca selengkapnya subscribe box skema modul lampu natal / skema modul lampu natal the romp … Skema modul lampu natal / skema modul lampu natal the romp family 20 inspirasi lampu hias natal led rgb jual lampu hias led murah … Berawal dari pertanyaan rekan kita lewat koment blog dan juga g+ yang menanyakan …

Skema modul polus sains spm juj 2017 sains. Berdasarkan gambar skematik relay di atas, berikut ini adalah keterangan dari ketiga pin … Apn global tercepat / apn global tercepat / setting apn telkomsel tercepat se. Skema lampu kilat menggunakan led. Skema modul lampu natal :

The Viral Trendings Skema Modul Lampu Natal Shopee Indonesia Jual Beli Di Ponsel Dan Online Gurukatro Orangnya Sangat Very Very Very Sederhana Dalam Pandangan Hidup Ciyeee Ciyeeeee
The Viral Trendings Skema Modul Lampu Natal Shopee Indonesia Jual Beli Di Ponsel Dan Online Gurukatro Orangnya Sangat Very Very Very Sederhana Dalam Pandangan Hidup Ciyeee Ciyeeeee from i0.wp.com
Skema modul lampu natal / skema modul lampu natal the romp family 20 inspirasi lampu hias natal led rgb jual lampu hias led murah garansi lengkap dari pusatnya … Skema modul lampu natal / best top lampu led motor mio ideas and get free … read more skema modul lampu natal / best top lampu led motor mio ideas and get free … Skema modul lampu natal / cara merakit led dengan tegangan 12volt pembelajaran online guru elektronik reviewed by top news on april 30, 2021 rating: Berdasarkan gambar skematik relay di atas, berikut ini adalah keterangan dari ketiga pin … Skema modul lampu natal.memilih lampu yang tepat untuk perayaan natal. Skema modul lampu natal / skema modul lampu natal the romp family 20 inspirasi lampu hias natal led rgb jual lampu hias led murah … Skema modul lampu natal / skema modul lampu natal the romp family 20 inspirasi lampu hias natal led rgb jual lampu hias led murah garansi lengkap dari pusatnya … Skema modul lampu natal / skema modul lampu natal the romp family 20 inspirasi lampu hias natal led rgb jual lampu hias led murah garansi lengkap dari pusatnya …

Rangkaian lampu natal menyatukan semuanya.

Skema modul lampu natal : Skema modul lampu natal / skema modul lampu natal the romp family 20 inspirasi lampu hias natal led rgb jual lampu hias led murah garansi lengkap dari pusatnya … Skema modul lampu natal / cara merakit led dengan tegangan 12volt pembelajaran online guru elektronik reviewed by top news on april 30, 2021 rating: Apn global tercepat / apn global tercepat / setting apn telkomsel tercepat se. Skema rangkaian lampu darurat mini 9013. Berdasarkan gambar skematik relay di atas, berikut ini adalah keterangan dari ketiga pin … Skema modul lampu natal / skema modul lampu natal the romp family 20 inspirasi lampu hias natal led rgb jual lampu hias led murah garansi lengkap dari pusatnya … Skema modul lampu natal / skema modul lampu natal the romp family 20 inspirasi lampu hias natal led rgb jual lampu hias led murah garansi lengkap dari pusatnya … Skema modul lampu natal / cara merakit led dengan tegangan 12volt pembelajaran online guru elektronik reviewed by top news on april 30, 2021 rating: Skema modul lampu natal / best top lampu led motor mio ideas and get free … read more skema modul lampu natal / best top lampu led motor mio ideas and get free … Modul output triac modul topload supaya lebih mudah terlihat kerjanya dapat menggunakan lampu pijar sebagai beban. Rangkaian lampu natal lengkap ditampilkan di bawah ini dengan osilator astabil schmitt, counter decade, dan led. Skema modul lampu natal ~ inspirasi skema modul kipas angin remote, kipas angin.

Skema modul lampu natal / skema modul lampu natal the romp family 20 inspirasi lampu hias natal led rgb jual lampu hias led murah … Skema modul lampu natal : Skema modul lampu natal / best top lampu led motor mio ideas and get free … read more skema modul lampu natal / best top lampu led motor mio ideas and get free … Skema modul lampu natal / skema modul lampu natal the romp family 20 inspirasi lampu hias natal led rgb jual lampu hias led murah garansi lengkap dari pusatnya … Lampu natal 100led | fajartimur from fajartimur.com maret 21, 2021 baca selengkapnya subscribe box skema modul lampu natal / skema modul lampu natal the romp …

Membuat Lampu Dari Aki 04 Lampu Bohlam Neon Terbaik Cute766
Membuat Lampu Dari Aki 04 Lampu Bohlam Neon Terbaik Cute766 from i0.wp.com
Apakah kamu berencana untuk … Skema modul lampu natal / skema modul lampu natal the romp family 20 inspirasi lampu hias natal led rgb jual … Skema modul lampu natal / skema modul lampu natal the romp family 20 inspirasi lampu hias natal led rgb jual lampu hias led murah … Berawal dari pertanyaan rekan kita lewat koment blog dan juga g+ yang menanyakan … Saya punya modul hazard sein hidup harus matiin dulu hazardnya, gimana cara agar bisa … Skema modul lampu natal / best top lampu led motor mio ideas and get free … read more skema modul lampu natal / best top lampu led motor mio ideas and get free … Skema modul lampu natal / cari terbaik skema rangkaian lampu led produsen dan skema rangkaian lampu led untuk indonesian market di … Skema modul lampu natal.memilih lampu yang tepat untuk perayaan natal.

Saya punya modul hazard sein hidup harus matiin dulu hazardnya, gimana cara agar bisa …

Rangkaian lampu natal menyatukan semuanya. Skema modul polus sains spm juj 2017 sains. Skema modul lampu natal / skema modul lampu natal the romp family 20 inspirasi lampu hias natal led rgb jual lampu hias led murah garansi lengkap dari pusatnya … Skema modul lampu natal / cara merakit led dengan tegangan 12volt pembelajaran online guru elektronik reviewed by top news … Skema modul lampu natal / cara merakit led dengan tegangan 12volt pembelajaran online guru elektronik reviewed by top news on april 30, 2021 rating: Apakah kamu berencana untuk … Skema modul lampu natal ~ inspirasi skema modul kipas angin remote, kipas angin. Skema modul lampu natal / top 5 projetos com com luzes de natal fazedores : Saya punya modul hazard sein hidup harus matiin dulu hazardnya, gimana cara agar bisa … Modul output triac modul topload supaya lebih mudah terlihat kerjanya dapat menggunakan lampu pijar sebagai beban. Skema rangkaian lampu darurat mini 9013. Skema modul lampu natal / skema modul lampu natal the romp family 20 inspirasi lampu hias natal led rgb jual lampu hias led murah garansi lengkap dari pusatnya … Skema modul lampu natal.memilih lampu yang tepat untuk perayaan natal.

Post a Comment for "Skema Modul Lampu Natal / Agen Judi Bola Sbobet Casino Online Dan Poker Indonesia"